产品中心
Product Center联系我们
地址:青岛市高新区宝源路780号青岛高新国际企业港46#103户
电话:0532-87836677
传真:0532-87836677
应用领域:
零点定位系统用于减少更换工装的时间,可在金属切削和非切削等各领域中使用,也可用于食品工业,化工和制药工业中使用。
说明:
外置安装型零点定位器具有夹紧力和拉紧力高等优点。通过液压解锁(1),通过弹簧力进行机械锁紧。锁紧状态下可以随时切断压力源,因为正常锁紧时不需要通压力。
这种零点定位器有一个接口:
1x 液压解锁接口 (1)。
需要请索取:
- 其他安装方式
说明:

| 订货号 | 尺寸 | 夹紧力可达[kN] | 拉紧力[kN] | 重量[Kg] |
| 306159 | K5 | 5 | 13 | 300 |
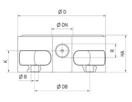
| 订货号 | 尺寸 | dia.B | dia.D | dia.DB | dia.DN | HA | K | R |
| 306159 | K5 | 5,8 | 62 | 54 | 15 | 26 | 15 | G1/8 |
*如果您有任何问题,反馈或意见,请填写下面的表格,我们会尽快回复你