产品中心

Product Center

联系我们

地址:青岛市高新区宝源路780号青岛高新国际企业港46#103户

电话:0532-87836677

传真:0532-87836677

网址:www.industrialsupplygrp.com

邮箱: sales1@industrialsupplygrp.com

零点定位系统

首页 > 产品中心 > 零点定位系统

内置安装型零点定位器,圆形,螺纹旋紧

气压解锁
解锁压力: 最小8 bar - 最大 12 bar
增压压力:最小 5 bar - 最大 6 bar
表面及活塞硬化处理
重复定位精度 < 0.005 mm。

在线询价

应用领域:

零点定位系统用于减少更换工装的时间,可在金属切削和非切削等各领域中使用,也可用于食品工业,化工和制药工业中使用。需要很小的空间,总高度低。
说明:
内置安装型零点定位器具有夹紧力和拉紧力高等优点。通过气压解锁(1),通过弹簧力进行机械锁紧。为了获得更大的夹紧力,可提供增压气压(2)。锁紧状态下可以随时切断压力源,因为正常锁紧时不需要通压力。接触面为零点定位器的上表面。需要时建议使用气压增压泵(样本第54页)。
这种零点定位器有两个接口:
1x气压解锁接口 (1) / 1x 气压增压接口(2)。为使安装简便,我们建议采用AMF专用扳手No.41046
需要请索取:
- 安装图纸

说明:

订货号尺寸夹紧力可达[kN]拉紧力[kN]吹屑重量[Kg]
428680K1010250,45
427971K2020551,40
429845K40401053,40

 

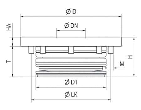
订货号尺寸dia. Ddia. DNdia. D1 HHAdia.LKMT
428680K1078225030760M523
427971K201123278441088M634
429845K40148401025715118M842

 

*如果您有任何问题,反馈或意见,请填写下面的表格,我们会尽快回复你