产品中心
Product Center联系我们
地址:青岛市高新区宝源路780号青岛高新国际企业港46#103户
电话:0532-87836677
传真:0532-87836677
应用领域:
零点定位系统适合用在机床工作台,夹具支架,立式夹具,可以模块化的安装(SM尺寸)。通过零点定位系统,平口钳、磁力吸盘等工装夹具可以快速精确的安装和更换。该系统适用于T型槽间距为50,63和100mm的工作台。
说明:
零点定位系统可由液压打开,通过弹簧力机械锁紧。夹紧状态时可将压力管路切断,以避免管路妨碍。
需要请索取:
- 零点定位系统,K5、K20或K40。
说明:

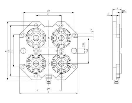
| 订货号 | 尺寸 | 夹紧力可达[kN] | 拉紧力[kN] | 重量[Kg] |
| 421602 | K10 | 4 x 10 | 4 x 25 | 4,5 |
| 订货号 | 尺寸 | A | B | H | HA | dia.N | dia.P | S | SM | T1 | T2 | U1 | U2 |
| 421602 | K10 | 230 | 230 | 15 | 7 | 20F7 | 13 | 35 | 100 | 126 | 200 | 100 | 200 |
*如果您有任何问题,反馈或意见,请填写下面的表格,我们会尽快回复你