产品中心

Product Center

联系我们

地址:青岛市高新区宝源路780号青岛高新国际企业港46#103户

电话:0532-87836677

传真:0532-87836677

网址:www.industrialsupplygrp.com

邮箱: sales1@industrialsupplygrp.com

零点定位系统

首页 > 产品中心 > 零点定位系统

内置型零点定位系统,圆形,螺纹旋紧

气压解锁
解锁压力:最小6bar-最大14bar
表面及活塞硬化处理
重复定位精度<0.02mm。

在线询价

应用领域:

零点定位系统用于减少更换工装时间,可在金属切削和非切削等各领域中使用,也可在食品工业,化学和制药工业中使用。
说明:
内置安装型零点定位器具有夹紧力和拉紧力高等优点。通过气压解锁(1),通过弹簧力进行机械锁紧。锁紧状态下可以随时切断压力源,因为正常锁紧时不需要压力。
零点定位器有一个接口:
1x 气压解锁接口(1)。为使安装简便,我们建议采用AMF专用扳手No.50914.
需要请索取:
-安装图纸

说明:

订货号尺寸夹紧力可达[kN]拉紧力[kN]重量[Kg]
427286K02235600060

 

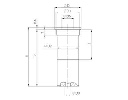
订货号尺寸dia. Ddia. DNdia. D1 dia. D2dia. D3HHATT1T2
427286K022210M20x1,518M549,052,054,52547


*如果您有任何问题,反馈或意见,请填写下面的表格,我们会尽快回复你