产品中心
Product Center联系我们
地址:青岛市高新区宝源路780号青岛高新国际企业港46#103户
电话:0532-87836677
传真:0532-87836677
应用领域:
零点定位系统用于减少更换工装的时间,可在金属切削和非切削等各领域中使用,也可用于食品工业,化工和制药工业中使用。适用于安装在夹具托架,立式夹具等场合。水平快速装夹零点定位器可以借助人力,液压或者移动设备,快速简便的完成立式夹具的换装。
说明:
水平快速装夹零点定位器具有夹紧力和拉紧力高等优点。通过液压解锁(1),通过弹簧力进行机械锁紧。锁紧状态下可以随时切断压力源,因为正常锁紧时不需要通压力。 加载在悬挂活塞上的重量最大不能超过K20 5KN,K40 8KN。
设计特点:
按照标准,有手动或液压两种悬浮活塞
- 液压零点定位器有1x液压解锁接头(1),
- 液压增强型零点定位器有3个接口:1x液压解锁接口(1),1x悬浮活塞液压弹出接口(5),1x 悬浮活塞缩进接口(4)。
需要请索取:
- 安装图纸
说明:

| 订货号 | 尺寸 | 夹紧力可达 [kN] | 拉紧力 [kN] | 悬浮活塞的预先移动 | 悬浮活塞最大承重[kN] | 重量 [Kg] |
| 303065 | K20 | 20 | 55 | _ | 5 | 2,1 |
| 306217 | K20 | 20 | 55 | √ | 5 | 2,1 |
| 303107 | K40 | 40 | 105 | _ | 8 | 5,2 |
| 306258 | K40 | 40 | 105 | √ | 8 | 5,2 |
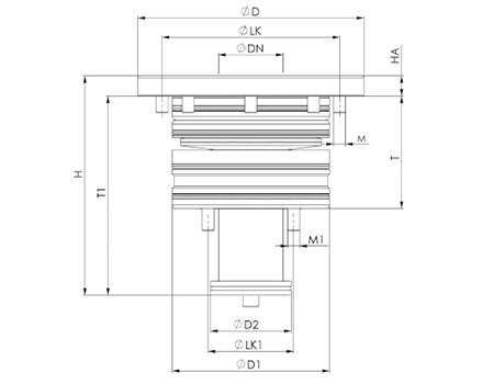
| 订货号 | 尺寸 | dia.D | dia. DN | dia.D1 | dia.D2 | dia.LK | dia.LK1 | M | M1 | T | R |
| 303065 | K20 | 112 | 32 | 78 | 40 | 88 | 60 | 60 | M6 | 56,5 | 99 |
| 306217 | K20 | 112 | 32 | 78 | 40 | 88 | 60 | 60 | M6 | 56,5 | 99 |
| 303107 | K40 | 148 | 40 | 102 | 48 | 118 | 76 | 76 | M8 | 73,0 | 129 |
| 306258 | K40 | 148 | 40 | 102 | 48 | 118 | 76 | 76 | M8 | 73,0 | 129 |
*如果您有任何问题,反馈或意见,请填写下面的表格,我们会尽快回复你